你好,游客
登录
注册
搜索
Index
About
Culture
News
Products
Join in
Service
Contact
中文版
About
Profile
Join in
Contact
Culture
Culture
History
News
Company news
Industry information
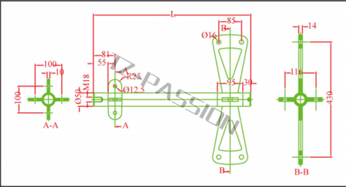
Products
Connecting claw of point type curtain wall
Point type curtain wall connection
Glass clamp
Pull rod series
Glass sliding door accessories
Stainless steel handrails
Stainless steel column
Universal joint
Revolving door accessories
Canopy components
Service
service idea
Contact
Contact
1
2
3
<
Products
Connecting claw of point type curtain wall
Point type curtain wall connection
Glass clamp
Pull rod series
Glass sliding door accessories
Stainless steel handrails
Stainless steel column
Universal joint
Revolving door accessories
Canopy components
Index
→
Products
→
Pull rod series
Railing series5541